公司:武汉泛科电子科技有限公司
手机: 13317114911
武汉市江夏区高新六路10号众博工业园
II-2-3 Wuchang Guannan lndustrial Park
Wuhan Hubei,China
网址 : www.whfanke.com
一、概述
YDJ系列油浸式试验变压器|高压试验变压器|通用性强和使用方便等特点,是根据《试验变压器》标准在原同类产品基础上经过大量改进后,研制生产的系列试验变压器,该产品遵照DL/T848.2-2004《高压试验装置通用技术条件-第 2 部分:工频高压试验装置》,研制生产的一种新型产品。本系列产品具有体积小、重量轻、结构紧凑、功能齐全、。通用性强和使用方便等特点特别适用于电力系统、工矿企业、科研部门等对各种高压电气设备、电器元件、绝缘材料进行工频或直流高压下的绝缘强度试验,是高压试验中必不可少的重要设备。
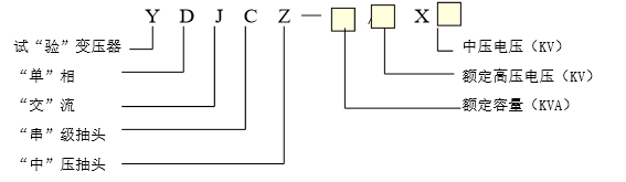
二、产品型号含义

三、产品结构
YDJ 系列试验变压器采用单框芯式铁芯结构。初级绕组绕在铁芯上,高压绕组在外,这种同轴布置减少了漏磁通,因而增大了绕组间的耦合。产品的外壳制成与器芯配合较佳的八角形结构,整体外形显得美观大方。
1:单台试验变压器外部结构图 图 2:单台试验变压器内部结构图

1-短路杆 D 2-均压球 3-高压套管 4-变压器提手5-油阀 6、7-次压输入 a、x 8、9-测量端子 E、F10-变压器外壳接地端 11-高压尾 X 12-高压输出 A13-高压硅堆 14-变压器油 15-铁芯16-次低压绕组 17-测量绕组 18-二次高压绕组
在 YDJ 试验变压器中,a、x 为低压输入端子,E、F 为仪表测量端子,A、X为高压输出。YDJ 系列中无高压硅堆。
四、工作原理
YDJ 系列试验变压器为单相变压器,连结组 I. I. 用工频 220V(10KVA 以上
为 380V)电源接入 XC∕TC(为本公司生产的试验变压器专用设备,详细资料请
见其具体使用说明书)系列操作箱(台),经操作箱内自耦调压器(50KVA 以上
调压器外附)调节至 0-200V(或 0-400V)电压输出至 YDJ(试验变压器的初组
绕组,根据电磁感应原理,在试验变压器高压绕组可获得试验所需的高电压。
1. 试验压器的工作原理
中高压套管中装有高压硅堆,串接在高压回路中作半波整流,以获得直流高电压。当用一短路杆将高压硅堆短接时,可获得工频高电压,作为交流输出状态;取消短路杆时,作为直流输出状态。
三台试验变压器串级获得更高电压的结线原理见图 5。串级高压试验变压器有很大的优越性,因为整个试验装置由几台单台试验变压器组成,单台试验变压器容量小、电压低、重量轻,便于运输和安装。它既然可串接成高出几倍的单台试验变压器输出电压组合使用,又可分开成几套单台试验变压器单独使用。整套装置投资小,经济实惠。图 5 中,在第一级和第二级的每个单元试验变压器中都有一个励磁绕组 A1、C1 和 A2、C2。在串级试验变器基本原理图中,低压电源加在试验变压器 I 的初级绕组 a1x1 上,单台试验变压Ⅰ、Ⅱ、Ⅲ的输出电压都是 V。励磁绕组 A1、C1 给第二级试验变压器Ⅱ的初级绕组供电;第二级试验变压器Ⅱ的励磁绕组 A2、C2 给第三级试验变压器Ⅲ的初级绕组电。第二级试验变压器Ⅱ和第三级试验变压器Ⅲ的箱体分别处在对地为 1V 和 2V 的高电位上,所以箱体对地是绝缘的,试验变压器 I 的箱体是接地的。这样第一级、第二级、第三试验变压器对地的额定输出电压分别为 1V、2V、3V;其额定容量分别为 3P、2P、1P。
工频耐压试验中限流电阻 R1 应根据试验变压器的额定容量来选择。如高压侧额定输出电流在 100 – 300mA 时,可取 0.5 - 1Ω∕ⅴ(试验电压);高压侧额定输出电流为 1A 以上时,可取 1Ω∕ⅴ(试验电压)。常用水电阻作为限流电阻,管子长度可按 150KV∕m 考虑,管子的粗细应具有足够的热容量(水阻液配制方法:用蒸馏水加入适量硫酸铜配制成各种不同的阻值)。球间隙及保护电阻:当电压超过球间隙整定值时(一般取试验电压的 110%- 120%)球间隙放电,对被试品起到保护作用。球间隙保护电阻可按 1Ω∕ⅴ
(试验电压)选取。在工频耐压试验中,低压侧测量电压(仪表电压)不是非常准确的,其原因是由于试验变压器存在着漏坑,在这上个漏抗上必然存在着压降或容升,使试品上的电压低于或高于低压侧测量电压表上反映出来的电压。工频耐压试验时,被试品上的电压高于试验变压器的输出电压,也就是所谓容升现象。感应耐压试验时,YDJ 试验变压器的漏抗必须存在着压降。为了准确测量被试品上所施加的电压,因此常在高压侧接入 RCF 阻容分压器来测量电压
工频耐压试验操作注意事项:
1. 试验人员应做好分工,明确相互间联系办法。并有专门人监护现场安全
及观察试品状态。
2. 被试品应先清扫干净,并绝对干燥,以免损坏被试品和试验带来的误差。
3. 对于大型试验,一般都应先进行空升试验。即不接试品时升压至试验电
压,校对各种表计,调整球间隙。
4. 升压速度不能太快,并必须防止突然加压。例如调压器不在零位的突然
合闸。也不能突然切断电源,一般应在调压器降至零位时拉闸。
5. 当电压升至试验电压时,开始计时,到 1min 后,迅速降压到 1∕3 试验
电压以下时,才能拉开电源。
6. 在升压或耐压试验过程,如发现下列不正常情况时,应立即降压,切断
电源。停止试验并查明原因:1)电压表指针摆动很大;2)发现绝缘烧焦或冒烟;
3)被试品内有不正常的声音。
7. 耐压试验前后应测量绝缘电阻,检查绝缘情况。
8. 试验变压器在做被试品的直流耐压或泄漏试验时接线原理图如图 7。
注:此试验应先抽出短路杆